中文
English
Search
Home
About
Company Pr...
Company Profile
Brand Cult...
Brand Culture
Group Memb...
Group Members
Technical ...
Technical Strength
Corporate ...
Corporate Glory
Group vide...
Group video
News Center
Corporate ...
Corporate News
Industry N...
Industry News
Product Center
Trailer Products
VALX Series Axles
Truck And Bus Products
XSS-13-510 Solo Drive Axle
Engineering Vehicle Axles
16.8 Tons engineering back axle
Reefer Containers
Split light trailers refrigerated container transportation
After-sales Spare Parts
VALX axle hub bolt
Service Center
FUWA Servi...
FUWA Service Center
Product Ma...
Product Operating Manual
Maintenanc...
Maintenance
Trailer us...
Trailer use common sense
After-sale...
After-sales service stations (China)
Product Se...
Anti-counterfeiting query
Complaints...
Questions and feedback
Informatio...
Download center
Contact
Contact In...
Contact us
Join Us
Join us
Recruitmen...
Recruitment
Procuremen...
Procurement notice
Home
>
Service Center
>
Product Manual
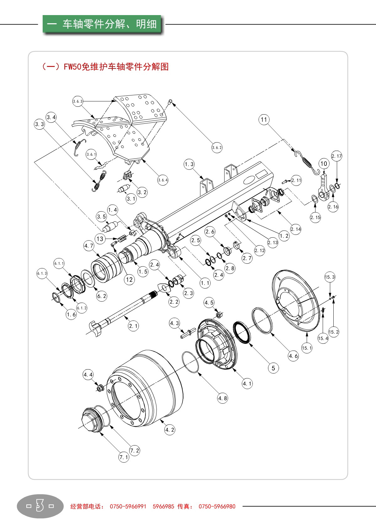
FW50 maintenance-free axle 【Product Operating Manual】
Release Time: 2017-02-21 17:14:21
Share:
Previous: Fifth wheel, kingpin 【Product Operating Manual】
Next: FW13 wearproof plate spring suspension 【Product Operating Manual】
WQT.COM
|
云博体育在线
|
开云足球体育
|
乐动注册
|
乐动在线官网
|
开云线上平台(集团)官方网站
|
乐动ld体育(中国)官方网站
|
球友会手机网页版登录入口
|
乐动在线登录官网
|